菜单
首页
工厂展示
技术工艺
行业工艺
信息公开
联系我们
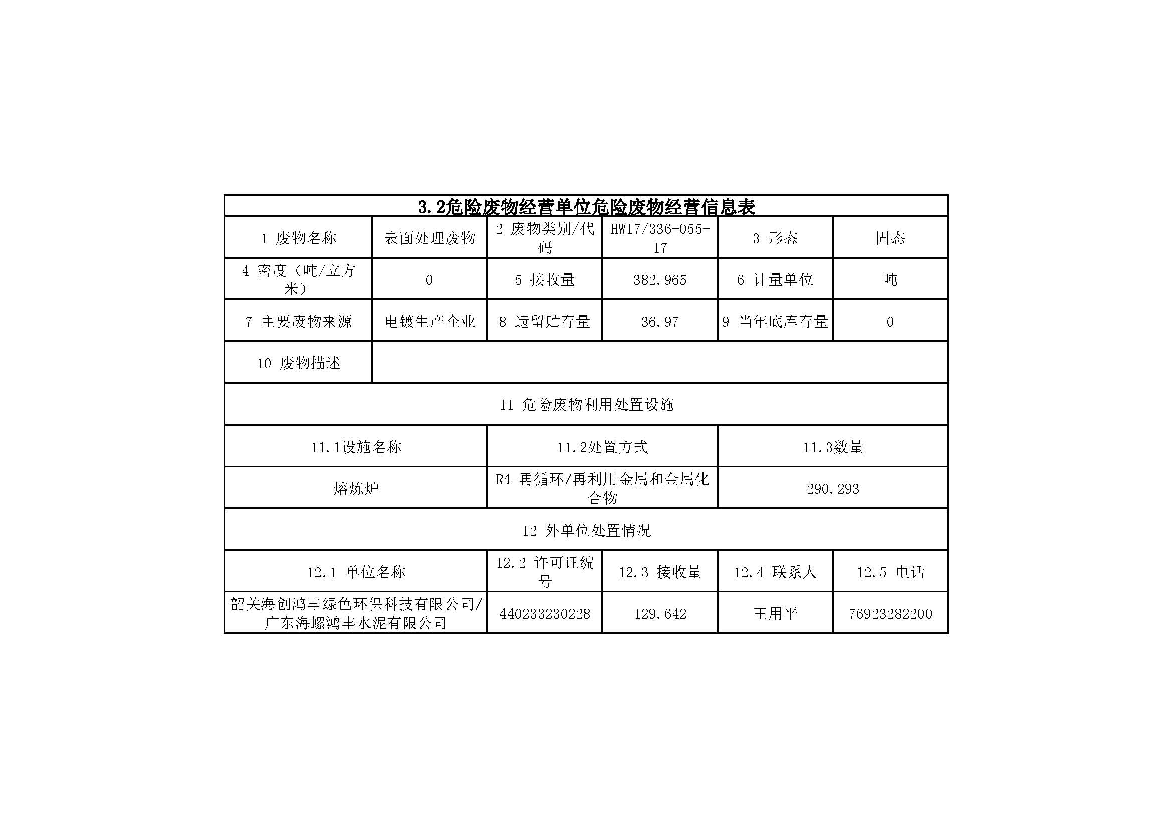
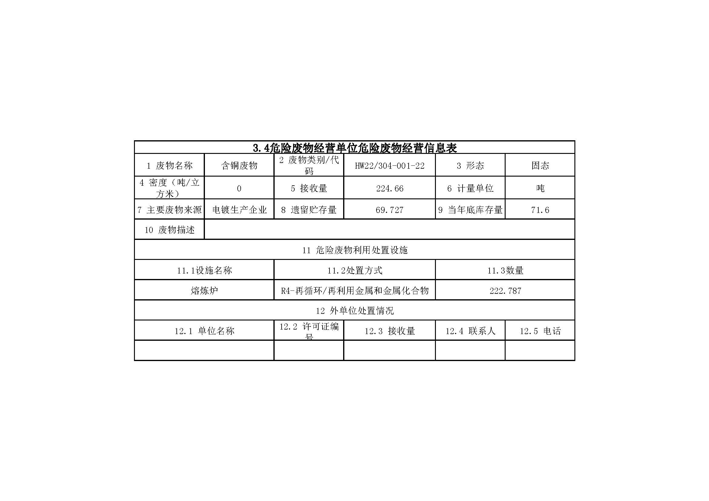
年度经营年报详情-2023年度
下载完整文件
返回
站内检索
搜索
快速导航
公司介绍
产品中心
新闻中心
工厂实景
代理加盟
OEM
展会活动
联系我们
产品导航
产品分类1
产品分类2
产品分类3